NTO AC Fuse Links

Плавкие вставки NTO для предохранителей переменного тока

• Высокая способность отключения

• Надежная система индикации

• Возможна версия с двойным индикатором

• Соответствует IEC 60269-1 и 2

 

Параметры

Номер модели Предохранители NH000-NH3
Напряжение 500Vac
Ток До 630 А
Разрывная способность 120kA
Класс эксплуатации Предохранитель EV
Стандарты IEC13539.1/.2  IEC 60269-1/-2
Страна происхождения Китай

 


 

 

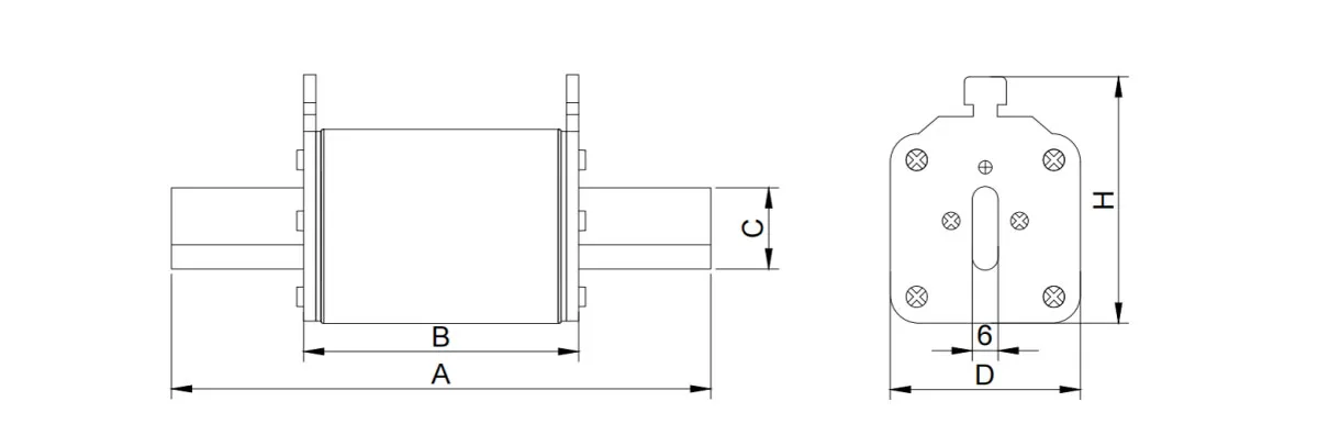
Модель Номинальное напряжение Номинальный ток Размеры
(В переменного тока) (A) A B C D H
NT000/NT00C/NT000S 500 6-125 78 50 15 21 53
NT00/NT00S 500 50-160 78 51 15 30 60
NT0/NT0S 500 6-160 125 68 15 30 60
NT1C 500 16-160 135 68 15 30 67
NT1/NT1S 500 32-250 135 68 20 46 62
NT2C 500 23-250 150 68 20 46 67
NT2/NT2S 500 80-400 150 68 25 58 74
NT3C 500 200-400 150 68 25 58 81.5
NT3/NT3S 500 160-630 150 68 32 70 82

 

 

Рекомендуемые продукты

Рекомендуемые новости

“Keep Your Beloved Ones Protected from Electricity” Suntree Conducted In-Depth Technical Workshops in Three Mexican Cities

«Защитите своих близких от электричества»: Suntree провела углубленные технические семинары в трех городах Мексики.

С 17 по 21 апреля 2026 года под девизом «Защитите своих близких от электричества» компания Suntree провела углубленные технические семинары в трех мексиканских городах: Гвадалахаре, Агуаскальентесе и Леоне...
Набирая обороты ради общего будущего: SUNTREE успешно завершила Саммит по стратегии и чествованию агентов 2025 года под девизом «Энергия, устремленная к свету» в Чэнду.

Набирая обороты ради общего будущего: SUNTREE успешно завершила Саммит по стратегии и чествованию агентов 2025 года под девизом «Энергия, устремленная к свету» в Чэнду.

Компания SUNTREE недавно успешно завершила ежегодное мероприятие «Сила во имя света» в Чэнду — грандиозное событие, призванное выразить благодарность своим агентам за 2025 год и разработать стратегию на 20...

ПОЛУЧИТЬ КВОТЫ

СВЯЖИТЕСЬ С НАМИ СЕЙЧАС
Captcha Code
×
Мы ценим вашу конфиденциальность
Мы используем файлы cookie, чтобы предоставить вам лучший опыт онлайн, анализировать использование сайта и помогать в наших маркетинговых усилиях.
Принять все